Фары. Схема включения фар показана ниже. Дальний и ближний свет фар включается с помощью вспомогательных реле К8 и К9. Управляющее напряжение на обмотки реле подается от переключателя 3 света фар, если нажата правая клавиша переключателя 5 наружного освещения. Независимо от положения клавиш переключателя 5 можно кратковременно включать дальний свет фар, оттягивая на себя рычаг переключателя 3 света фар. При этом напряжение к контакту «30» переключателя 3 подается от контакта «30» выключателя 4 зажигания.
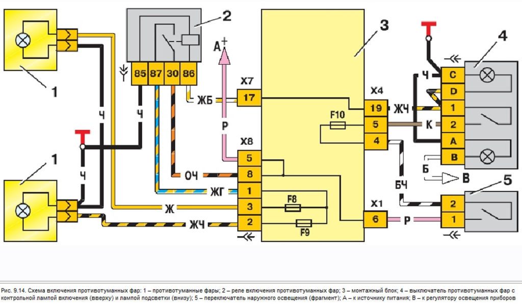
Противотуманные фары. На автомобилях в вариантном исполнении в передних буферах могут быть установлены противотуманные фары. Схема включения противотуманных фар показана ниже. Фары включаются выключателем 4 с помощью вспомогательного реле 2 типа 113.3747-10, установленного в моторном отсеке на левом брызговике. Противотуманные фары можно включить только в том случае, если переключателем 5 включено наружное освещение.
Наружное освещение. Схема включения наружного освещения показана ниже. Габаритный свет включается переключателем 6 наружного освещения. Питание ламп габаритного света и стоп-сигнала происходит через реле К4 контроля исправности ламп. Если перегорит какая-либо лампа, реле включает соответствующий светодиодный сигнализатор в блоке 12 индикации бортовой системы контроля. Если реле контроля исправности ламп в монтажном блоке не установлено, то вместо него должны стоять контактные перемычки, показанные стрелками.
Указатели поворота. Схема включения указателей поворота и аварийной сигнализации показана ниже. Указатели поворота правого и левого борта включаются переключателем 8. В режиме аварийной сигнализации выключателем 4 включаются все указатели поворота. Мигание ламп обеспечивается реле-прерывателем К2 в монтажном блоке.
ПОЛЕЗНЫЕ СОВЕТЫ
Если фары вдруг начали светить тускло, а при включении сигнала поворота начинает мигать лампа габаритного света, восстановите контакт «массового» провода с кузовом.Возьмите себе в привычку регулярно менять лампы (особенно головного света фар). Со временем колба лампы мутнеет и яркость лампы уменьшается. Причем этот процесс происходит довольно медленно и водитель не замечает постепенного ухудшения освещенности дороги.
В последнее время все больше появляется машин, у которых фары сияют, как новогодняя елка, ярким светом с различными оттенками голубого цвета. Все это называется словом «ксенон» и считается очень крутым. Спору нет, ксеноновые фары, установленные штатно на иномарки, намного лучше освещают дорогу, да и автомобиль с ними смотрится значительно эффектнее. Неудивительно, что многие тоже стараются улучшить свой автомобиль, тем более что сейчас на прилавках появилось множество «ксеноновых» ламп различного изготовления (чаще всего китайского). Не покупайтесь на дешевку — такие лампы не имеют ничего общего с настоящими ксеноновыми газоразрядными лампами без нитей накаливания. Это обычные лампы с окрашенным стеклом. Светопропускающая способность такого стекла значительно ниже, чем у стандартных ламп, нити у фальшивок, как правило, установлены не в фокусе, и фара с такой лампой при внешней эффектности практически ничего не освещает, причем дополнительно нещадно слепит встречных водителей. К тому же производители таких ламп, чтобы компенсировать снижение светового потока, увеличивают их мощность сверх нормы. Часто их установка приводит к оплавлению изоляции проводов и перегоранию печатных схем монтажных блоков. А возможен и пожар. Лучше не приобретайте за свои деньги «головную боль», а купите качественные обычные лампы.
Рано или поздно лампы в задних фонарях перегорают. Казалось бы, чего проще — взять новую лампочку, подходящую по размеру цоколя и напряжению, и установить ее вместо перегоревшей. Однако учтите, что в задних фонарях применяются лампы с одинаковым цоколем, но разной мощности: 4W и 21W. И это немалосущественная мелочь: 4-ваттные лампы устанавливают для габаритного света, а 21-ваттные — в указатели поворота и стоп-сигналы. Не путайте их местами. Если вы установите маломощные лампы в стоп-сигналы и указатели поворота, другие водители попросту не увидят ваших сигналов в ненастную погоду. А мощные лампы в «габаритах» будут очень мешать водителям, едущим сзади, и раздражать их. Соответственное будет и их отношение к вам.




